首页
物性表库
10W+原厂物性表,精准速查
选材资料库
查报告、找案例、看说明
AI 参数计算器
一键计算材料性能参数信息
选材专家咨询
免费咨询,获取专业方案
黄卡查询
黄卡精准搜索,获取关键材料信息
发布需求
一键发布材料需求,依托强大算法与海量数据,精准对接适配资源。
材料选材
选材商机
海量行业需求,抢占市场先机
材料供应
品类丰富,满足多元需求
人脉拓展
高效拓展人脉,搭建合作桥梁
需求管理
管理跟踪商机及需求,高效对接资源,精准把控项目进度
发现商机
培训服务
行业专家,专注人才培训
CAE 服务
PLM / MES / CAE 等方案解决商
企业服务
全链路赋能,助力企业发展
塑库服务
公司简介
快速了解塑库网
塑库招募
加入我们,共同进步
商务合作
携手塑库网,开启行业合作
关于我们
资讯
塑库网上线AI助理
小程序和网页版均已上线,支持搜索全网材料数据
请推荐15%玻纤PC
以下是几家知名材料供应商的15%玻纤
我的会员
登录
免费注册
行业报告
实战应用
加工说明
材料案例
技术指导
选材决策
搜索
报告类型
选材指南
缺陷解决
案例解析
加工指南
行业分类
医疗
汽车
电子电气
个人用品
建筑
包装
消费电子
照明灯具
家用电器
连接器
电线电缆
交通运输
3D打印
电信设备
齿轮
运动休闲
新能源
办公用品
水务工程
工程零部件
工业制造
电脑
数据存储
家具家居
身体防护
摩托车
改性适用
机器人
公共设施
农业设施
密封与紧固件
乐器
石油石化
二次加工
企业分类
Plasdata
SABIC
Avient
Eastman
Syensqo
Covestro
Dupont
Wanhua Chemical
BASF
Lotte Chemical
WOTE
Arkema
Nantong Xingchen
TEIJIN
Envalior
Huntsman
KumhoSunny
Mitsubishi Chemical
Evonik
RTP
Keyun Engineering Materials
CHI MEI
Bosom New Materials
INEOS
PRET
Samyang
Jujia New Material
普立思生物科技有限公司
HYOSUNG
Asahi Kasei
金旸(厦门)新材料科技有限公司
EMS
Mitsui Chemicals
GS Caltex
Delrin
CCP Group
LG Chemical
Cangzhou Dahua
Domo Chemicals GmbH
Dow
Lanxess
DIC
Polyplastics
Kingfa
TUNHE
Toray
Elix Polymers
Trinseo
Qingyan Polymer
TENSURE
DSM
KRAIBURG TPE
Ascend
Celanese
Sinoplast
AGC
DOMO
Röhm
重庆国际复合材料股份有限公司
上海凯赛生物技术股份有限公司
Sinowin
Orinko
Exxonmobil
浙江合复新材料科技有限公司
Yuchen New Materials
Esun Industrial
Shenghong New Materials
Idemitsu Kosan Co.,Ltd
Borealis
Hyundai Engineering Plastic
Lyondellbasell
Dawn
亨斯迈聚氨酯(中国)有限公司
YONKASUN
恩骅力工程材料(上海)有限公司
Wankai New Materials
Zhongyan Polymer
中材科技(苏州)有限公司
江苏欧瑞达新材料科技有限公司
Shincell New Material
Sinochem Yangzhou
浙江鹏孚隆科技股份有限公司
Greene Tweed
Indorama
Kuraray
Lubrizol
NYCOA
Repsol
Teknor Apex
Total
UBE
Shenzhen Arbor Plastics Co.
BASF South East Asia
MOCOM
Lotte Advanced Materials
Jiangsu Hengbo Composite Materials Co.,Ltd.
深圳市同益实业股份有限公司
苏州聚泰新材料有限公司
长华化学科技有限公司
浙江佳华精化股份有限公司
山东卡博特化学有限公司
东风汽车集团有限公司
Mintbio Huitong New Materials (Yangzhou)Co.,Ltd
Tosaf
Magna
CMF
英力士苯领(中国)投资有限公司
SINOPEC
OQ
苏州纳磐新材料科技有限公司
东华复材
上海交通大学
江苏睿安应用生物技术股份有限公司
中天科盛科技股份有限公司
山东东岳未来氢能材料股份有限公司
厦门听涛新材料有限公司
浙江新安化工集团股份有限公司
成都鲁晨新材料科技有限公司
浙江道明光电科技有限公司
中节能万润股份有限公司
广东基烁新材料股份有限公司
浙江天和树脂有限公司
广东壹铭新材料科技有限公司
伊特纳能源科技(大连)有限公司
Natureworks
Formosa Chemicals & Fibre
Radici
Guangdong Audiwei Sensing Technology Co.
Ginar Technology Co., LTD.
深圳市固源塑胶制品有限公司
Dongguan FengCai NewMaterialCo.,Ltd.
大族激光科技产业集团股份有限公司
宁波纽帕得机械有限公司
南通市东方塑胶有限公司
XiaoPeng Auto
苏州双象光学材料有限公司
Kanghui New Materials
Baolijin New Material
东莞市丰龙新材料有限公司
中山联合光电科技股份有限公司
诸暨市当恩生物材料科技有限公司
奥美凯聚合物(苏州)有限公司
长纤(厦门)新材料科技有限公司
浙江争光实业股份有限公司
浙江嘉翔氟塑料有限公司
赣州立昌新材料股份有限公司
东莞市朗晟材料科技有限公司
ENEOS
Horann Special Plastics
东莞市发成工程塑料有限公司
东莞捷佳塑胶科技有限公司
安徽雄亚塑胶科技有限公司
SEYANG POLYMER
广东天麦新材料有限公司
Huafon TPU
东莞市固源医疗科技有限公司
海阳科技股份有限公司
东莞市安塑亿高分子材料科技有限公司
三叶科技(天津)有限公司
泰山玻璃纖維有限公司
广东银禧科技股份有限公司
新疆蓝山屯河科技股份有限公司
江苏韩塑新材料有限公司
宁波市金穗橡塑有限公司
重庆聚狮新材料科技有限公司
青岛瑞泰尔电子技术有限公司
麒麟科技产品有限公司
廊坊市海洋升帆科技有限公司
江苏慕藤光精密光学仪器有限公司
广东众和高新科技股份公司
振石控股集团有限公司
康达新材料(集团)股份有限公司
东莞市川旭塑料科技有限公司
广东俊龙新材料科技有限公司
广东银宝山新科技有限公司
贸珀塑料有限公司
广东优粤新材料科技有限公司
上海盈固化工有限公司
Kaimeilong Plastic
广东杰思通讯股份有限公司
JSM Polyimide
Polymership
广西梧州国龙再生资源发展有限公司
深圳市优化新材料科技有限公司
东莞市大为塑胶有限公司
东莞市中亦塑胶公司
深圳市飞托克实业有限公司
斯麦提克(昆山)精密机械有限公司
合普新材料科技(广东)有限公司
魔方氢能源科技(江苏)有限公司
新研氢能源科技有限公司
斯碧尔思达流体科技(上海)有限公司
吉安硅基材料科技有限公司
萱柯氢能科技(北京)有限公司
沃尔特电子(苏州)有限公司
广东彩健新材料科技有限公司
浙江朗森电气有限公司
广东鼎信聚合科技有限公司
深圳华星恒泰泵阀有限公司
台州朝友电气有限公司
乐清市广杰电子有限公司
台州市豪强模具有限公司
深圳市宏商材料科技股份有限公司
镇江利德尔复合材料有限公司
广东传琦精密科技有限公司
信宏实业有限公司
辽宁锦城石化有限公司
广州华茂传感仪器有限公司
派莎克(广东)流体设备技术有限公司
数优科技(江门)有限公司
开平市龙胜镇路易达脚轮厂
广州市蓝宇环保科技有限公司
东莞市森汰塑胶有限公司
东莞市攀迪商贸有限公司
深圳市三和汇鑫净化科技有限公司
青岛领捷新材料科技有限公司
深圳市依迪姆智能科技有限公司
深圳市创鸿信工贸有限公司
特耐摩复合材料(广东)有限公司
深圳市鑫鹏宇新材料科技有限公司
浙江意达泵业有限公司
深圳市豪塑实业有限公司
东莞市晟通塑胶原料有限公司
华杰恒信(山东)电子科技有限公司
昆山英思达流体设备有限公司
长盛(廊坊)科技有限公司
广州千图新材料有限公司
广东华清新材料有限公司
广东向荣新材料有限公司
东莞市上研新材料有限公司
东莞市慕森有机硅科技有限公司
江西诚勤实业有限公司
东莞市炬烨塑胶科技有限公司
东莞市巨力塑胶有限公司
东莞市万柯塑化有限公司
归仁(清新)工程塑料有限公司
广东博事达新材料有限公司
粤之研新材料(东莞)有限公司
广东长盈材料有限责任公司
东莞市万弗纶塑胶有限公司
东莞市中恩新材料科技有限公司
东莞市金福业科技有限公司
广东荣晟智造有限公司
中伟(茂名)劳务有限公司
东莞市极光新材料科技有限公司
鸿翔国际实业有限公司
广东普万高新材料有限公司
广东渝丰高分子材料有限公司
东莞信鸿工程塑料有限公司
佛山市艾凯控股集团有限公司
东莞市泉鑫绝缘材料有限公司
湖南耕驰新能源科技有限公司
安徽金骏复合材料有限公司
东莞市恒翔五金塑胶制品有限公司
东莞市亿派科技有限公司
丰顺县培英电声有限公司
余姚利帅机器视觉科技有限公司
广东众塑降解材料有限公司
深圳市厚泽智通科技有限公司
深圳市美连医疗电子股份有限公司
山东正熵能源科技有限公司
深圳市铂电科技有限公司
陕西赛尔斯电子有限公司
深圳市华信智控科技有限公司
深圳市小龙电器有限公司
苏州希倍优海洋工程装备有限公司
深圳市龙星辰电源有限公司
深圳市浩毅丰科技有限公司
广东广碳新材料有限公司
火丰科技(深圳)有限公司
锋影光学(东莞)有限公司
广西碧清源环保投资有限公司
北京碧水源科技股份有限公司
安徽同发设备股份有限公司
北京联科新材料有限公司
慈溪市山今高分子塑料有限公司
成都思立可科技股份有限公司
安徽中鑫宏伟科技有限公司
Dongguan Haoran
山东道恩特种弹性体材料有限公司
Veryone
广州市凯德热塑性弹性体有限公司
山东森荣新材料股份有限公司
江苏弘盛新材料股份有限公司
广东中成特殊材料有限公司
南京海旗新材料科技有限公司
更多
材料分类
PC(聚碳酸酯)
PC/ABS
PBT(聚对苯二甲酸丁二醇酯)
PPA 耐高温尼龙
PA66(尼龙66)
PEI(聚醚酰亚胺)
ABS
PA6(尼龙6)
mPPE(聚苯醚),未指定
LCP(液晶聚合物)
Silicone(硅橡胶),热塑性
POK(聚酮)
PARA(聚芳香酰胺)
PP(聚丙烯),未指定
TPE(热塑性弹性体),未指定
mPPE/PS 合金
PA12(尼龙12)
PC/PBT
PPSU(聚苯砜)
TPU,Unspecified(热塑性聚氨酯弹性体,未指定)
PLA(聚乳酸)
PA612(尼龙612)
POM(聚甲醛),未指定
Polyester(聚酯),未指定
mPPE/PA 合金
PA 46(尼龙46)
PTFE(聚四氟乙烯)
mPPE/PA66 合金
mPPE/PP 合金
mPPE/PA6 合金
PPE/PA6/PA66
PSU(聚砜)
PA66/6I/6T(尼龙66/6I/6T)
PA66/6I/X(尼龙66/6I/X)
Polyester(聚酯),未指定
mPPE/PPS 合金
mPPE/PBT
PA6T(尼龙6T)
PC/PET
PPSU/PSU
PET(聚对苯二甲酸乙二酯)
PMMA
PES(聚醚砜)
PA(尼龙),未指定
PVDF(聚偏氟乙烯)
PA11(尼龙11)
POE(聚烯烃弹性体)
EVA(乙烯醋酸乙烯共聚物)
PETG(共聚多酯)
ETFE(乙烯四氟乙烯共聚物)
PCTG
MABS
PPS, 未指定
PA9T(尼龙9T)
HDPE(高密度聚乙烯)
PEEK(聚醚醚酮)
PEBA(聚醚嵌段酰胺)
LDPE(低密度聚乙烯)
ASA(丙烯腈-苯乙烯-丙烯酸酯)
PA12(尼龙12),柔性
PA66/6
PA610(尼龙610)
PC/ASA
PA4T(尼龙4T)
PBAT
HIPS(高抗冲聚苯乙烯)
PPS(聚苯硫醚)
LLDPE(线性低密度聚乙烯)
TPO(聚烯烃)
UHMWPE(超高分子量聚乙烯)
TPV(热塑性硫化橡胶)
TPI(热塑性聚酰亚胺)
Polyurethane(聚氨酯)
PA56
PA6/66(尼龙6/66)
PA1010(尼龙1010)
PP(聚丙烯),共聚
PVC(聚氯乙烯),未指定
PCT(聚对苯二甲酸环己基二亚甲酯)
PA 410(尼龙410)
mPPE(聚苯醚),弹性体
PI(聚酰亚胺)
PPE Resin
PA/PPE
PS(聚苯乙烯)
SAN(丙烯腈-苯乙烯共聚物)
PP(聚丙烯),无规共聚
TPU,Polyether(热塑性聚氨酯弹性体,聚醚)
PEKK(聚醚酮酮)
EPS(发泡苯乙烯)
PAI(聚酰胺酰亚胺)
PBS
PARA/MXD6
PP(聚丙烯),均聚
SEBS(苯乙烯-乙烯-丁烯-苯乙烯嵌段共聚物)
POM(聚甲醛),均聚
马来酸酐改性EVA
PFA(全氟烷氧基)
TPU,Polyester(热塑性聚氨酯弹性体,聚酯)
TPE,Polyester(TPEE/TPC-ET)(热塑性共聚聚酯弹性体)
HDPE/PP
PPC(聚甲基乙撑碳酸脂)
MBS(聚甲基丙烯酸甲酯-丁二烯-苯乙烯)
POP(聚烯烃塑性体)
POE(聚烯烃弹性体(C4))
PVDC(聚偏二氯乙烯)
PMP(聚甲基戊烯)
PA10T(尼龙10T)
mVLDPE(茂金属超低密度聚乙烯)
SPS(间同立构聚苯乙烯)
PBI(聚苯并咪唑)
PB(聚丁烯)
PASF(聚芳砜)
MIPS
PC/ABS/SMA
PMMA/PS合金
PA6(尼龙6), 柔性
PBT/ASA
PA6T/6(尼龙6T/6)
PC/SAN
PC/Polyester(聚碳酸酯/聚酯合金)
芳香族尼龙
PA6T/66(尼龙6T/66)
PA6T/6I(尼龙6T/6I)
PA6/3T(尼龙6/3T)
mPP(茂金属聚丙烯),均聚
HDPE(高密度聚乙烯(C4))
SIS(苯乙烯-异戊二烯嵌段共聚物橡胶)
PHA(聚羟基脂肪酸酯)
Cellulose Ethyl(乙基纤维素)
4,4'-BPADA
PA66/6T
聚己内酯(PCL)
PA46/PA6
找到以下结果
3610
个
清除全部
加工手册
影响注塑件强度的3点注塑工艺介绍
注塑工艺
强度
参数
品牌案例
凯柏胶宝®医用级 TPE 材料助力超声波设备性能升级
TPE材料
超声波设备
性能升级
选材知识
电容膜常见的六种材料:PP/PET/PC/PEN/PPS/PEI
PP
PET
电容膜
品牌案例
世索科PPSU和PSU助力大型电解槽塑料极框技术突破
PPSU
PSU
电解槽
加工手册
注塑新工艺实现零部件减重,汽车轻量化新路径!
注塑新工艺
零部件减重
汽车轻量化
选材知识
塑料的户外寿命保卫战:从降解机制到实用解决方案全解析
降解机制
户外寿命
解决方案
加工手册
塑料激光焊接:懂得机理才能运用自如
塑料激光焊接
透光聚合物
吸收层
通用案例
16种薄壁注塑缺陷改善方法全解
薄壁注塑
缺陷改善
注塑工艺
选材知识
ABS,PC,PP... 汽车零部件用阻燃材料有哪些?
阻燃材料
汽车零部件
工程塑料
选材知识
PMMA/ASA合金,让汽车外饰实现高光黑免喷涂
PMMA/ASA合金
高光黑
免喷涂
应用手册
恩骅力电子设备的材料解决方案
工程塑料
材料解决方案
电子设备
奇美 WONDERLITE® PC-122P 加工条件
WONDERLITE® PC-122P
加工条件
工程塑料
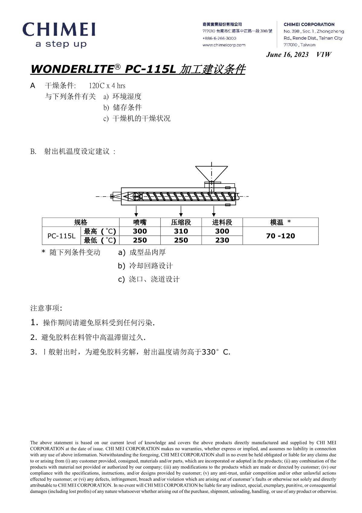
奇美 WONDERLITE® PC-115L 加工条件
WONDERLITE® PC-115L
加工条件
工程塑料
奇美 WONDERLITE® PC-110P 加工条件
WONDERLITE® PC-110P
加工条件
工程塑料
奇美 KIBITON® PB-575/587/585 加工条件
奇美 KIBITON® PB-575/587/585
加工条件
工程塑料
奇美 WONDERLITE ® PC-6600 J01 加工条件
加工条件
WONDERLITE ® PC-6600 J01
工程塑料
浏览更多